机务在线

搜索
查看: 4333|回复: 2

[34导航] (案例分享)气象雷达故障

[复制链接]

15

主题

33

帖子

300

积分

机务学徒工

Rank: 3Rank: 3

积分
300
发表于 2023-7-4 21:41:35 | 显示全部楼层 |阅读模式 来自: 中国湖北武汉
案例描述

某B737NG飞机,空中机组反气象雷达故障,空中指导机组复位跳开关后正常,航后更换雷达收发机。
原理分析
机载气象雷达系统(WXR)可以给飞行员提供以下的指示:
1.飞机前方的气象情况;
2.风切变事态;
3.飞机前下方的地形轮廓。
气象雷达是利用物体的散射特性来发现目标,并测定目标的位置参数及其他性质。气象雷达向飞机前方180度的区域发射脉冲信号,通过接收物体反射回来的信号,进行相应的处理,从而得知飞机前方和下方的气象地形情况,并给飞行员提供视频指示或音频提醒。
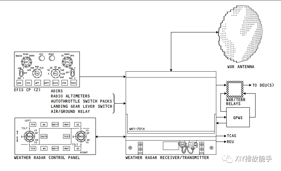
气象雷达系统的主要组成部件为:收发机,控制面板,天线和天线驱动组件,波导管。惯导系统,无线电高度表系统,公共显示系统,近地警告系统,起落架手柄组件,自动油门电门组件等系统和部件向气象雷达系统提供数字和离散信号。
该机使用的雷达类型为WRT-2100,雷达依靠探测雷雨中含水(降雨)量的多少来工作的,回波与雨量成正比;雷达无法探测雪,雾,含水率低的云,干性湍流,闪电, 区分冰雹与降雨的差别。雷达内部有严格的监控电路,如反射功率等的降低到一定门限,会触发WXR FAIL,需要确认是否飞行中飞机前方没有明确的气象目标。PWS功能是在无线电高度低于2300英尺时自动启动,无线电高度数据丢失、ADIRU数据丢失、雷达收发机内部故障、驱动组件故障等都会触发 PWS FAIL 信息出现。
故障类型分为提醒信息和故障信息:
提醒信息包含:
(1)WXR WEAK-表明收发机内部问题
(2)WXR ATT-表明惯导的输入信号问题
(3)WXR STAB-表明驱动组件或收发机问题
故障信息包含:
(1)WXR FAIL-表明雷达收发机、驱动组件或者控制面板失效
(2)PWS FAIL -表明无线电高度表、驱动组件或者控制面板的失效

工程建议

1、遇到气象雷达故障,咨询具体的故障信息,可尝试复位P6-1 D13。
2、复位无效,联系签派评估航路天气,办理MEL保留。
3、收发组件更换后,气象雷达系统为了获取最优的气象探测和消除地面杂波,其在飞行的第一个航班,飞机处于巡航状态时,雷达系统工作在自动模式,收发组的自动校准功能将需要数分钟自动重新校准,以补偿飞机制造误差和飞机弯曲变化,提高精确度,在这个自动校准时期内,部分地面杂波可能会显示,200 海里外的气象探测目标可能临时变小直至组件校准完成,此时可以使用人工模式观察

回复

使用道具 举报

0

主题

2

帖子

50

积分

试用期机务

Rank: 1

积分
50
发表于 2023-9-16 18:30:18 | 显示全部楼层 来自: 中国天津
MARK
回复

使用道具 举报

0

主题

6

帖子

300

积分

机务学徒工

Rank: 3Rank: 3

积分
300
发表于 2024-5-26 22:13:57 | 显示全部楼层 来自: 中国海南
学习了
回复

使用道具 举报

您需要登录后才可以回帖 登录 | 立即注册

本版积分规则

快速回复 返回顶部 返回列表