机务在线

搜索
查看: 3073|回复: 1

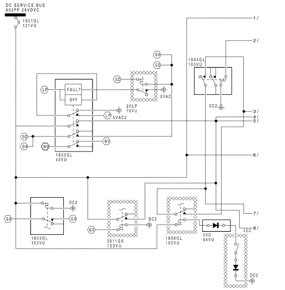
[29液压] 各位大佬,图中六角形里LP, GD,GK等代表什么意思

[复制链接]

11

主题

46

帖子

578

积分

机务学徒工

Rank: 3Rank: 3

积分
578
发表于 2021-3-8 11:35:21 | 显示全部楼层 |阅读模式 来自: 中国上海
手册里查了一下,感觉不像是图二里描述的缩略语


回复

使用道具 举报

0

主题

5

帖子

430

积分

机务学徒工

Rank: 3Rank: 3

积分
430
发表于 2021-3-9 12:57:08 | 显示全部楼层 来自: 中国广东广州
好像是连接的FIN号的结尾一种命名规则,好像LP就是20LP,GK就是108GK,109GK,GD就是3706GD,数字可变。具体就不知道FIN 是怎么命名的了
1615265559.jpg
回复 支持 反对

使用道具 举报

您需要登录后才可以回帖 登录 | 立即注册

本版积分规则

快速回复 返回顶部 返回列表