机务在线

搜索
查看: 3686|回复: 3

[20标准施工] 请教一个A329AWM图纸上的部件

[复制链接]

50

主题

375

帖子

374

积分

机务学徒工

Rank: 3Rank: 3

积分
374
发表于 2020-4-28 19:27:29 | 显示全部楼层 |阅读模式 来自: 中国上海
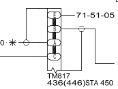
请教一下各位师傅,这个图标是什么东西?

不断学习,才能不断进步!
回复

使用道具 举报

50

主题

375

帖子

374

积分

机务学徒工

Rank: 3Rank: 3

积分
374
 楼主| 发表于 2020-4-28 19:32:43 来自手机 | 显示全部楼层 来自: 中国上海
不断学习,才能不断进步!
回复 支持 反对

使用道具 举报

5

主题

291

帖子

863

积分

机务正式工-无执照

Rank: 4

积分
863
发表于 2020-4-29 09:43:49 来自手机 | 显示全部楼层 来自: 中国重庆
邦迪块,eec左上角有个铁盒子,打开就在里面
回复 支持 1 反对 0

使用道具 举报

50

主题

375

帖子

374

积分

机务学徒工

Rank: 3Rank: 3

积分
374
 楼主| 发表于 2020-4-29 09:49:13 来自手机 | 显示全部楼层 来自: 中国上海
马冬什么梅 发表于 2020-04-29 09:43
邦迪块,eec左上角有个铁盒子,打开就在里面

太感谢了
不断学习,才能不断进步!
回复 支持 反对

使用道具 举报

您需要登录后才可以回帖 登录 | 立即注册

本版积分规则

快速回复 返回顶部 返回列表